- Опубликованы первые официальные изображения... (31)
- Новейшую видеокарту Intel Arc Pro B70 с 32... (29)
- NASA до сих пор не может объяснить внезапный... (78)
- Oracle представила архитектуру для агентного... (76)
- «Не хотите ускорители? Возьмите хотя бы... (47)
- 7 лет обновлений, шифрование и 128 ГБ... (61)
- Инсайдеры: легендарная The Legend of Zelda:... (62)
- Опубликовано первое фото прототипа iPhone... (59)
- Крупнейшая морская ветряная электростанция... (113)
- Глава SpaceX назвала срок высадки людей на... (77)
- Valve заблокировала почти миллион аккаунтов... (215)
- Google DeepMind и Agile Robots объединяются... (230)
- В США построят первый за 70 лет завод по... (178)
- Вебинар T1 Облако и Curator. Выбор без... (145)
- Nacon выставила на продажу две внутренние... (109)
- NASA может сократить финансирование миссии... (216)
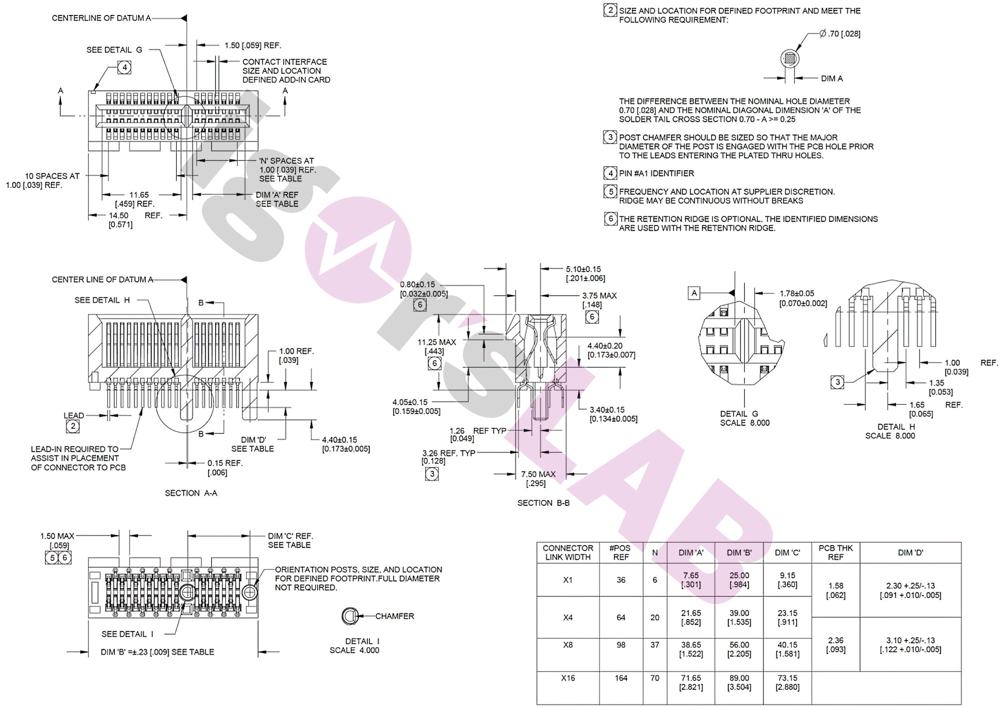
Опубликованы изображения и спецификации разъема дополнительного питания PCIe Gen5 для видеокарт следующего поколения
Дата: 2021-10-10 13:06
Слух о новом разъеме питания для видеокарт следующего поколения нашел подтверждение. Предположительно, первой такой разъем получит видеокарта GeForce RTX 3090 Ti, выпуск которой ожидается в январе будущего года.
Разъем дополнительного питания PCIe Gen5 устранит один из самых больших недостатков текущего 8-контактного разъема питания — недостаточную мощность, которую он может обеспечить. Порог мощности вырастет со 150 Вт до 600 Вт.
На разъем выведено 16 линий (12 линий питания и 4 сигнальные). Конструктивно он отличается от MicroFit Molex. В частности, шаг контактов уменьшен с 4,2 мм до 3,0 мм. Наибольший размер разъема — 18,85 мм, что заметно меньше двух и тем более трех нынешних 8-контактных разъемов.
Спецификации PCI-SIG определяют нагрузочную способность каждого вывода 9,2 А, что в сумме дает 55,2 А. При напряжении 12 В максимальная мощность равна 662 Вт, но в спецификации закреплено меньшее значение — 600 Вт. Назначение сигнальных линий пока неизвестно.
Некоторые производители уже выпускают такие разъемы. Например, Amphenol предлагает «систему разъемов Minitek Pwr PCIe 5-го поколения». В описании «вспомогательного гибридного разъема и кабельной сборки» CEM 5.0 PCI Express 12VHPWR сказано, что они поддерживают графические карты с потребляемой мощностью 600 Вт. Там также уточняется, что разъем 12VHPWR не совместим с разъемами дополнительного питания PCIe предыдущих поколений.
Подробнее на iXBT
Предыдущие новости
Смартфон iQOO Z5x получит 120-Гц дисплей и Dimensity 900
Объем встроенной пользовательской памяти составит 128/256 ГБ. В качестве операционной системы предустановлена Android 11. Известно также, что iQOO Z5x оснащен 6,58-дюймовым экраном IPS с разрешением Full HD+ и кадровой частотой 120...
Веном может стать одним из основных злодеев в Marvel’s Spider-Man 2 для PlayStation 5
Новая информация, посвященная игре Marvel's Spider-Man 2 для Sony PlayStation 5 появилась в Сети. Пользователь Reddit, назвавшийся сотрудником студии Insomniac Games, рассказал о деталях ожидаемого
Rockstar официально объявила о переиздании трилогии GTA
Американская компания Rockstar Games официально представила сборник под названием Grand Theft Auto: The Trilogy — The Definitive Edition для ПК, консолей и смартфонов. Речь идет о наборе ремастеров – Grand Theft Auto III, Grand Theft Auto: Vice City и Grand Theft Auto: San...
Команда AnTuTu опубликовала рейтинг самых популярных смартфонов в сентябре
Лидером в сентябрьском рейтинге удовлетворенности пользователей смартфонами стал Samsung Galaxy Note20 Ultra 5G, сообщает 8 октября портал MyDrivers. Согласно сообщению, ежемесячный рейтинг популярных смартфонов составляет команда программы для тестирования...